Rippa NDI680 74 HP Skid Steer Canada | 1250 kg Lift
Rippa NDI680 74 HP Skid Steer Canada | 1250 kg Lift
Call 403-829-7889 or email info@joyt5.com
Introducing the Rippa NDI680 Skid Steer – Unmatched Performance for Your Toughest Jobs
If you’re searching for a Rippa NDI680 skid steer in Canada that delivers serious power, durability, and versatility, the NDI680 is built to exceed expectations. This heavy-duty skid steer for sale in Canada is designed for construction, landscaping, and agricultural professionals who require dependable performance in demanding environments.
As a flagship Rippa skid steer Canada model, the NDI680 combines high horsepower, advanced hydraulics, and operator-focused design to handle the toughest workloads with confidence.
Key Features
Robust Power and Efficiency
The NDI680 is powered by a high-performance 74 HP / 55 kW Cummins engine, making it a reliable 74 HP skid steer in Canada with exceptional torque and fuel efficiency. This Cummins skid steer with 1250 kg lifting capacity in Canada provides the muscle required for heavy construction and agricultural tasks.
Impressive Lifting Capacity
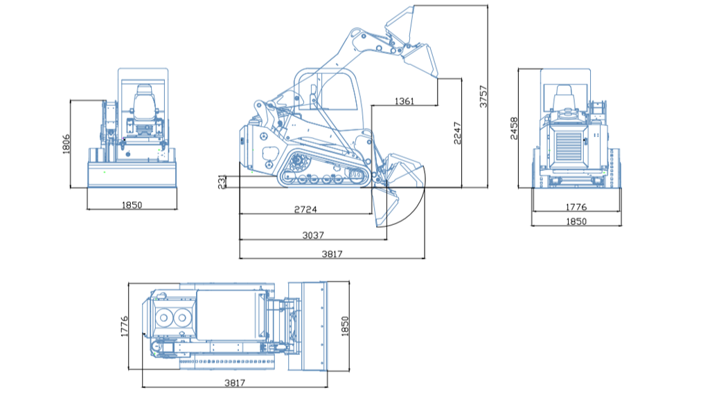
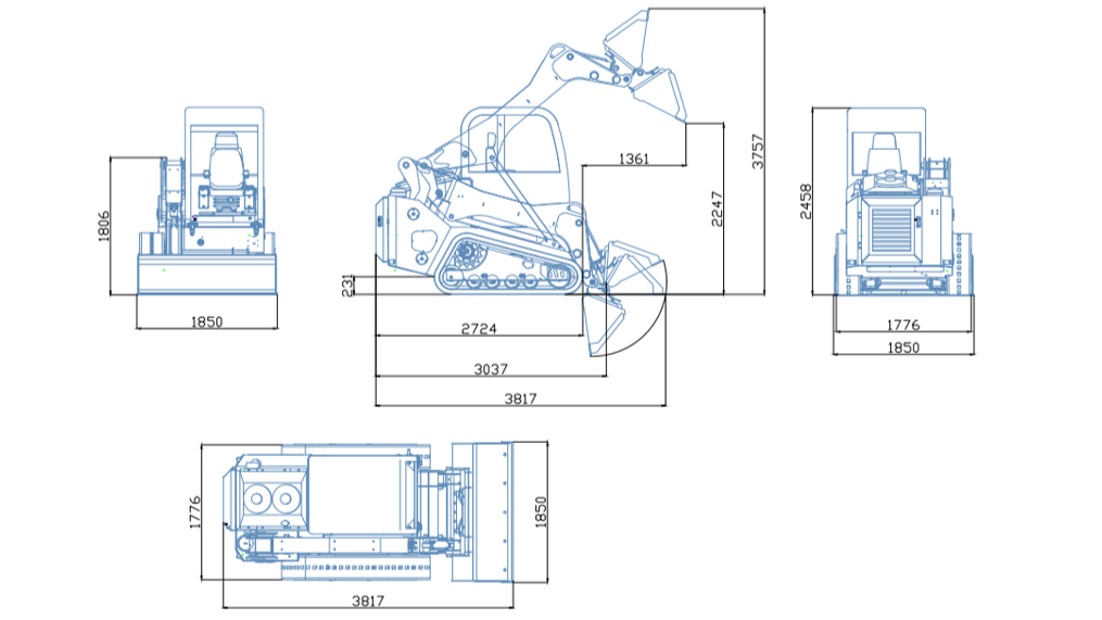
With a 1,250 kg lifting capacity and a maximum loading height of 2247 mm, this machine excels as a heavy lift skid steer in Canada. Whether handling construction materials, bulk feed, or pallets, the NDI680 performs with ease making it ideal for skid steer landscaping in Calgary, farming skid steer in Edmonton, and industrial applications across Canada.
Advanced Hydraulic System
The triple-pump hydraulic system enables smooth, precise control of multiple attachments. This advanced setup enhances versatility, allowing seamless transitions between lifting, digging, and material handling key for heavy-duty skid steer construction in Canada and high-demand job sites.
Operator Comfort and Convenience
Designed for long workdays, the NDI680 features a spacious, ergonomic cab with an LCD multifunction display. Operators can easily monitor oil volume, power output, temperature, and RPM. Centralized controls and optional accessory switches further improve productivity and ease of use.
Innovative Cooling System
The intelligent double-row fan cooling system ensures efficient heat dissipation during high-intensity operations. This adaptive system extends equipment life, reduces energy consumption, and maintains consistent performance across varied working conditions.
Versatility for Any Job Site
From infrastructure construction and industrial use to dock loading, urban projects, and agriculture, the NDI680 adapts easily. Its compact footprint and excellent maneuverability make it a top choice for uneven terrain and confined spaces, including NDI680 skid steer Winnipeg operations.
Built for Durability
Engineered to withstand harsh environments, the Rippa NDI680 skid steer Canada is a long-term investment designed to deliver consistent performance year after year.
Easy Maintenance
Quick access to essential components minimizes downtime and lowers maintenance costs, ensuring your skid steer for sale in Canada spends more time working and less time in the shop.
Why Choose the Rippa NDI680 Skid Steer?
- Unmatched Performance: Powered by a 74 HP Cummins engine with advanced hydraulics
- Operator-Centric Design: Comfortable cab and intuitive controls
- Versatility: Ideal for construction, landscaping, and farming
- Durability & Reliability: Built for demanding environments
- Cost-Effective Ownership: Reduced downtime and maintenance expenses
At JoyT5, we proudly offer the Rippa NDI680 skid steer USA and Canada as part of our commitment to delivering top-quality construction and agricultural equipment. Whether you’re a contractor, landscaper, or farmer, this 74 HP Cummins skid steer in the USA is the dependable partner you need to scale your operations.
Ready to experience the power and versatility of a Rippa NDI680 skid steer for sale?
📞 Contact Us today for a personalized quote or demonstration.
JoyT5 Wheel Loaders, Excavators, Skid Steers, Drum Compactors, Rock Crushers and Attachments can be ordered from North American JoyT5 Dealers in:
Canada:
- Calgary, Alberta, Canada
- Edmonton, Alberta, Canada
- Medicine Hat, Alberta, Canada
- Grande Prairie, Alberta, Canada
- Winnipeg, Manitoba, Canada
- Halifax, Nova Scotia, Canada
- St. John's, Newfoundland and Labrador, Canada
USA
- Sacramento, California, USA
To contact JoyT5 visit: Contact Us

Other JoyT5 Product Categories
-
JoyT5 Wheel Loaders For Sale
Wheel Loaders are great to use for a variety of industries, including...
-
JoyT5 Mini Excavators For Sale
JoyT5 mini excavators for sale that offers reliability, efficiency, and top-tier...
-
JoyT5 Excavator Attachments For Sale
JoyT5 Excavator Attachments For Sale Transform your excavator into a versatile powerhouse...
Contact JoyT5 and Rippa Skid Steers in Canada and USA
JoyT5 Toll-Free (North America): 1-833-MY-JOYT5 or 1-833-695-6985
JoyT5 Head Office: 587-441-5514
Email: Info@JoyT5.com
JoyT5 and Rippa Skid Steers for Sale in Canada
-
JoyT5 and Rippa Skid Steers for Sale in Alberta, Canada
-
JoyT5 and Rippa Skid Steers for Sale in Calgary, Alberta, Canada
Phone: 403-829-7889
Email: info@JoyT5.com -
JoyT5 and Rippa Skid Steers for Sale in Grande Prairie, Alberta, Canada
Phone: 780-978-0858
Email: GrandePrairie@JoyT5.com -
JoyT5 and Rippa Skid Steers for Sale in Medicine Hat, Alberta, Canada
Phone: 587-837-5255
Email: MedicineHat@JoyT5.com -
JoyT5 and Rippa Skid Steers for Sale in Edmonton, Alberta, Canada
Phone: 403-829-7889
Email: info@JoyT5.com -
JoyT5 and Rippa Skid Steers for Sale in Linden, Alberta, Canada
Neufeld Equipment & Trailer Sales
Phone: 403-861-0975
Email: NeufeldServices@JoyT5.com
-
JoyT5 and Rippa Skid Steers for Sale in Airdrie, Alberta, Canada
Neufeld Equipment & Trailer Sales
Phone: 403-861-0975
Email: NeufeldServices@JoyT5.com
-
JoyT5 and Rippa Skid Steers for Sale in Three Hills, Alberta, Canada
Neufeld Equipment & Trailer Sales
Phone: 403-861-0975
Email: NeufeldServices@JoyT5.com
-
JoyT5 and Rippa Skid Steers for Sale in British Columbia, Canada
-
JoyT5 and Rippa Skid Steers for Sale in Prince George, British Columbia, Canada
Phone: 250-301-8669
Email: BC@JoyT5.com
-
JoyT5 and Rippa Skid Steers for Sale in Kamloops, British Columbia, Canada
Phone: 250-301-8669
Email: BC@JoyT5.com
-
JoyT5 and Rippa Skid Steers for Sale in Courtenay, British Columbia, Canada
Neufeld Equipment & Trailer Sales
Phone: 403-861-0975
Email: NeufeldServices@JoyT5.com
-
JoyT5 and Rippa Skid Steers for Sale in
Saskatchewan, Canada -
JoyT5 and Rippa Skid Steers for Sale in Shaunavon, Saskatchewan, Canada
Neufeld Equipment & Trailer Sales
Phone: 403-861-0975
Email: NeufeldServices@JoyT5.com
-
JoyT5 and Rippa Skid Steers for Sale in
Manitoba, Canada -
JoyT5 and Rippa Skid Steers for Sale in Winnipeg, Manitoba, Canada
Phone: 204-894-0576
Email: Winnipeg@JoyT5.com -
JoyT5 and Rippa Skid Steers for Sale in Brandon, Manitoba, Canada
A&J Rental Solutions
Phone: 204-573-4333
Email: Brandon.MB@JoyT5.com
-
JoyT5 and Rippa Skid Steers for Sale in
Ontario, Canada -
JoyT5 and Rippa Skid Steers for Sale in Sarnia, Ontario, Canada
Phone: 519-451-0404
Email: Sarnia@JoyT5.com -
JoyT5 and Rippa Skid Steers for Sale in Sturgeon Falls, Ontario, Canada
Phone: 647-773-2755
Email: nickelbelt@joyt5.com
-
JoyT5 and Rippa Skid Steers for Sale in Sudbury, Ontario, Canada
Phone: 647-773-2755
Email: nickelbelt@joyt5.com
-
JoyT5 and Rippa Skid Steers for Sale in North Bay, Ontario, Canada
Phone: 647-773-2755
Email: nickelbelt@joyt5.com
-
JoyT5 and Rippa Skid Steers for Sale in New Brunswick, Canada
-
JoyT5 and Rippa Skid Steers for Sale in Sussex, New Brunswick, Canada
Phone: 902-529-1180 | 1-877-252-4619
Email: NS@JoyT5.com -
JoyT5 and Rippa Skid Steers for Sale in Nova Scotia, Canada
-
JoyT5 and Rippa Skid Steers for Sale in Halifax, Nova Scotia, Canada
Phone: 902-529-1180 | 1-877-252-4619
Email: NS@JoyT5.com -
JoyT5 and Rippa Skid Steers for Sale in Port Hawkesbury, Nova Scotia, Canada
Phone: 902-529-1180 | 1-877-252-4619
Email: NS@JoyT5.com -
JoyT5 and Rippa Skid Steers for Sale in Newfoundland and Labrador, Canada
-
JoyT5 and Rippa Skid Steers for Sale in St. John's, Newfoundland and Labrador, Canada
Phone: 709-725-4111
Email: NL@JoyT5.com
Buy JoyT5 and Rippa Skid Steers From Following JoyT5 Dealers in the United States of America
-
JoyT5 and Rippa Skid Steers for Sale in Sacramento, California, USA
Phone: 916-599-8648
Email: California@JoyT5.com
-
JoyT5 and Rippa Skid Steers for Sale in Houston, Texas, USA
Phone: 587-441-5514
Email: Info@JoyT5.com -
JoyT5 and Rippa Skid Steers for Sale in Louisa, Virginia, USA
Phone: 587-441-5514
Email: Info@JoyT5.com